我的网站
全国客服热线
13690546738

LY86220-T微型磁驱动齿轮泵

LY86220-T微型磁驱动齿轮泵

  LY86220系列微型磁驱动不锈钢齿轮泵是由微型泵头、永磁驱动器和微型电机组合而成的流体输送单元,特别适合流量在20-2000mL/min范围内的各种液体介质(食用油,纯水、腐蚀性、有毒、易燃易爆、液压)的输送、滴注、取样、循环、分流、喷雾、冲洗、灌注、冷却和润滑,水和空气混合气体等。

 
LY86220-T微型磁驱动齿轮泵 
  
  特点:
  
    1.  机型小、结构紧凑      
  
  2.  304或36不锈钢泵体(所需要求), PEEK、聚四氟乙烯、PPS齿轮,具有自润滑、耐腐蚀、耐高温、耐有机溶剂,高强耐摩擦功能 .             
  
  3. 静密封、无泄漏.            
  
  4.  流量可根据需要进行调节。                 
  
  5. 电机更换灵活,可根据实际需求更换各种不同的电机.
  
  6.  运行平稳、低噪音.50分贝
  
  7.  适用介质广

LY86220-T微型磁驱动齿轮泵 

  
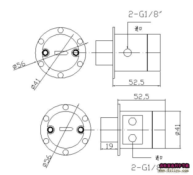
  主要技术参数(水类介质情况下)  
  
  额定压力:1-7bar
  
  自吸负压:0.08Mpa                                                             
  
  介质温度:≤200 ℃ 
  
  扬程:15米 
  
  电机绝缘等级:  A级   
  
  液体接触部分密封材质:304,316不锈钢,聚四氟乙烯、PEEK、PPS。 
  
   输入电压: AC220V. AC380V (可以长时间工作)
  
  电机功率:120W   180W 
  
  电机种类:交流电机磁驱动。
  
  电机与泵驱动方式:磁力驱动。
  
  进出口口径:G1/8”1/4”  3/8”  1/2”
  
  工作方式:可以长时间连续工作。
  
  适用介质:甲醇、油类、纯水、酸、碱、无机盐、有机溶剂、润滑油、强氧化性介质.
  
  8.自动控制流量:变频器控制转速。可以控制泵的转速,也就是可以控制流量, 想要多少流量就可以控制多少流量。
  
  9.手动控制流量:电子调速,接一调速开关。同电机配好。
  
  10.转速:50  -   2880r/min.转速误差:±2%
  
  我们厂是专业生产齿轮泵. .可以根据客户要求订做。
  
          佛山市南海区利宇节能设备厂
  
           联系电话  0757-86700178    13690546738李工

相关产品推荐

在线客服 :

服务热线:13690546738

电话: 0757-86700178

公司地址:广东省佛山市南海区平洲夏东涌口工业开发区

佛山市南海区利宇节能设备厂专业生产微型齿轮泵,微型不锈钢齿轮泵, 磁力齿轮泵 ,小型齿轮泵和氢氧机厂家,公司总部设在国外。利宇节能设备厂拥有完整的科学质量管理体系。利宇的诚信、实力和产品质量都获都得业界的...


                             友情链接: 新利    电镀污水处理设备   
网站地图 百度地图